
오토데스크사의 FUSION을 이용한 3차원설계
20260109 금
1. 강의목표
- 3DCAD 프로그램(FUSION360)을 이용하여 자동차부품을 디자인, 모델링할 수 있다.
- 모델링한 부품을 3D 프린팅(PLA소재)하여 시제품으로 만들 수 있다.
1일차 0109 금 09:30 ~ 17:00
2일차 0110 토 09:30 ~ 12:30 중간고사
3일차 0112 월 09:30 ~ 17:30
4일차 0116 금 09:30 ~ 12:30 기말고사
12:00 ~ 13:30 점심시간
강의 일정
01월 10일 토 10:30 ~12:20까지 중간고사
01월 16일 금 13:30 ~15:30까지 기말고사
중요전달사항
출석에 충실
ctl 동영상 수업자료는 오프라인 수업중에라도 계속 실행해놓으세요.
지각,결석시 반드시 전달.(출석체크는 엄격히 확인하고 반영)
중간고사, 기말고사는 반드시 제출(근거자료가 있어야 점수부여)
1. FUSION 설치
FUSION360은 AUTODESK사에서 나온 3DCAD프로그램으로3DCAD를 처음 접하는 학생이 활용하기는 수월합니다.
고등학생, 대학생, 대학원생 등 학위를 인정해주는 교육기관 재학생이라면 재학증명서을 제출하면 1년 단위로 갱신을 하면서 무료로 계속 사용이 가능합니다. 학생으로 등록하지 않으면 한달간만 무료로 사용이 가능합니다.
우리 수업에서는 비즈니스 버전으로 30일 평가판으로 등록해서 사용합니다.
1-1. 크롬으로 인터넷 접속 ->
www.autodesk.co.kr/



가입할 이메일 입력

가입한 이메일 계정으로 6자리 코드가 발송됩니다. 그 번호를 입력합니다.
"비즈니스"계정으로 30일 사용을 선택합니다.
팀만들기 -> 1E

릴리스ai : 유튜브 동영상 내용 정리해주는 ai
https://lilys.ai/home
"영상,음성,PDF,웹사이트 모든 것을 요약 - Lilys AI
lilys.ai
AI TOOLS 카테고리별로 정리.
BOOSTERR 부스터 - 삶을 더 편하고 빠르게
이미지 만들기, 글쓰기, 영상 편집 등 다양한 최신의 AI 도구들을 한눈에 탐색하고 비교해보세요. BOOSTERR가 추천하는 최적의 AI 도구를 통해 당신의 잠재력을 깨워보세요.
www.boosterr.co
프리젠테이션 자료 만들어주는 AI
Skywork︱The Originator of AI Workspace Agents
skywork.ai
🔎 ender3: Google 검색
www.google.com
https://bambulab.com/ko-kr/download/studio

Thingiverse - Digital Designs for Physical Objects
Download files and build them with your 3D printer, laser cutter, or CNC. Thingiverse is a universe of things.
www.thingiverse.com
메시 AI - 1위 AI 3D 모델 생성기
텍스트와 이미지를 사용하여 몇 초 만에 프로덕션 준비가 완료된 3D 모델을 생성하세요. 무료 AI 3D 모델 생성기에 최적화되어 있습니다. 3D 아티스트, 게임 개발자 및 창작자에게 완벽합니다!
www.meshy.ai
https://e-koreatech.step.or.kr/page/lms/?m1=home%25
STEP
e-koreatech.step.or.kr
다른 사람과 같이 사용하는 공용 PC의 경우는 사용전 “로그인” 사용후 “로그아웃”을 반드시 해야합니다.
1. 3차원모델링 순서
1. 평면의선택(정면,평면,우측면) -> 모양에 해당하는 2차원스케치 -> 정확한 치수입력 -> 스케치종료
-> 3차원명령어(돌출, 돌출-컷) -> 다듬질(필렛,모따기.....)

메쉬로 저장 -> *.OBJ -> 내 PC로 저장 -> *.OBJ 와 *.MTL 파일을 아래의 구글 드라이브로 업로드
*.OBJ : 3D 형상데이타
*.MTL : 색상정보
2025-2 1B FUSION 업로드 드라이브
https://drive.google.com/drive/folders/1Y3CEnGONnlsCssNJNEIoLGSrCUvgqkEO?usp=drive_link
Google Drive: 로그인
이메일 또는 휴대전화
accounts.google.com
1. 3DCAD : 3D MODELING(솔리드파일)
2. 파일변환 : *.STL(서페이스파일)
3. 슬라이싱프로그램(CURA) : 슬라이싱
4. USB에 복사 -> 3D PRINTING




사진 -> 3D프린팅(FDM)
가로 40mm , 세로 50mm 레이어0.1mm 기준 : 1시간 소요
https://imagetostl.com/convert/file/jpg/to/stl
Convert JPG to STL For Free - ImageToStl
Use our free and fast online tool to convert your 2D JPG image or logo into a 3D STL model file suitable for printing with a 3D printer or for loading into your favourite 3D editing package such as Blender.
imagetostl.com

https://3dp.rocks/lithophane/
3dp.rocks





반드시 Refresh 버튼을 눌러서업데이트를 해야한다.
2일차
20260110 오전

31, 32, 35


특성 - 무게,부피구하기
금속 -> 강철 ASTM A36
ASTM A36(미국 재료시험협회) = SS400(한국 KS) =>
1. 부피값을 구하시오. (소수점 세자리에서 잘라내기. xxxxx.xxx)


2. 색상(질감)을 작성자가 임의대로 지정하시오.
3. 부피값 소수점 세자리까지 구한값을 적당한 면에 음각으로 각인하시오.(단위는 생략)
- 예) 안중근/12345.678
4. 내보내기 연습


20260110 1E 중간고사 문제
https://feature-life.tistory.com/1589
색상지정
19
20
20260112 3일차 오전

도면작성시 해상도에 문제가 있다는 메세지가 나온다면,
노트북의 그래픽카드드라이버를 최선버전으로 업데이트하면 됩니다.





파일명 : 이순신 20231234

부피값을 구하시오. (소수점 세자리에서 잘라내기. xxxxx.xxx)
색상(질감)을 작성자가 임의대로 지정하시오.
부피값 소수점 세자리까지 구한값을 적당한 면에 음각으로 각인하시오.(단위는 생략)

1)
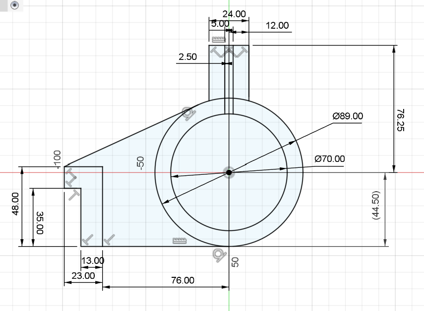
아래 연습도면 36


2)

3)

부피값을 구하시오. (소수점 세자리에서 잘라내기. xxxxx.xxx)
색상(질감)을 작성자가 임의대로 지정하시오.
부피값 소수점 세자리까지 구한값을 적당한 면에 음각으로 각인하시오.(단위는 생략)
4)

평면도에서의 부분단면도는 2개의 뷰를 만들어 부분단면도(브레이크 아웃 뷰)를 따로띠로 작성해야합니다.
20260116 1E 기말고사
https://feature-life.tistory.com/1590
기말고사는 아래의 링크로 업로드(중간고사와 같은 링크주소)
https://drive.google.com/drive/folders/1Y3CEnGONnlsCssNJNEIoLGSrCUvgqkEO?usp=drive_link
Google Drive: 로그인
이메일 또는 휴대전화
accounts.google.com
광고없는 유튜브브라우저(모바일용)
https://play.google.com/store/apps/details?id=com.brave.browser
Brave 개인 웹 브라우저 - Google Play 앱
팝업 블로커로 사생활을 안전하게 보호하고 빠르게 서핑할 수 있는 최고의 브라우저를 무료로 사용하세요.
play.google.com
광고없는 유튜브브라우저(pc용)
https://brave.com/ko/?ref=mca010
Adblocker로 안전하고 빠르며 프라이버시가 보장되는 웹 브라우저 | Brave Browser
Brave 브라우저는 빠르고 보안이 뛰어나며, 프라이버시를 보호해주는 PC, Mac, 모바일용 웹 브라우저입니다. 추적 소프트웨어를 차단함으로써 데이터 사용량과 배터리를 절약해주는 브라우저를 지
brave.com
https://worldvectorlogo.com/
https://www.svgrepo.com/
SVG Repo - Free SVG Vectors and Icons
Free Vectors and Icons in SVG format. ✅ Download free mono or multi color vectors for commercial use. Search in 500.000+ Free SVG Vectors and Icons.
www.svgrepo.com
https://convertio.co/kr/image-converter/
이미지 변환기 (온라인 무료) — Convertio
온라인 이미지 변환기 어떤 형식의 이미지 파일이든 온라인으로 변환하세요. 이미지 변환 품질 평가 4.6 (7,559,010 표) 의견을 제공하려면 1 개 이상의 파일을 변환하여 다운로드해야합니다.!
convertio.co





필렛은 큰값부터 적용한다.










20231226
















20231227 3일차 오전1030~1200
2023-2 1D 중간고사
https://feature-life.tistory.com/1230
20231227 3일차 오후
https://youtu.be/1ohGCx0Jrnk?si=lTMg5vvtRNQLxo-s
https://youtu.be/Bx7DvEMnz44?si=rmPS9TO5lP3dIL_3
https://blog.naver.com/studycadcam
스터디캐드캠 (STUDYCADCAM) : 네이버 블로그
기계/캐드캠자료, 오토캐드연습도면, 모델링 연습도면 자료, 국가기술자격시험 자료 공유 ■ 문의 : studycadcam@naver.com
blog.naver.com










CTRL 키를 누르고 프로파일을 선택하면, 프로파일을 추가/제가 할 수 있다.



20240103기말고사
https://feature-life.tistory.com/1447
GTEC 2022-2 1B 중간고사
2021-2학기 / 1-B / 중간고사 2022년 1월 4일 FUSION360 지정된 도면을 모델링하시오. 작성시간 2시간 중량을 구해서, 모델표면에 음각하시오.(소숫점 세째자리로 나타내시오) 작성자 이름을 모델표면에
feature-life.tistory.com
- YouTube
www.youtube.com
P172-1
- YouTube
www.youtube.com
P174-1
구멍공차
축공차
2
'GTEC' 카테고리의 다른 글
| 2025-2학기 / 1E / 기말고사 (0) | 2026.01.06 |
|---|---|
| 2024-2 1B GTEC 미래전기자동차과 3D설계 (0) | 2025.01.09 |
| 폭력예방교육 2023 2차 (0) | 2023.10.25 |
| e커머스 물류이동과정(지게차) (0) | 2023.08.19 |
| 경기과학기술대학교 증명서 발급방법 (0) | 2023.02.24 |